定位系统安装实施流程
如下图所示,
1、首先需要去现场勘查了解现场的情况,确定需要定位的区域,需要实现的定位精度,定位效果;
2、根据现场实际需求确定设备安装的位置;
3、勘查完毕现场后需要根据勘查情况设计走线供电,通信方案,确定设备的安装方案,制作安装支架,准备配电箱,准备网线,准备施工工具,线缆,线缆、光缆、配线箱等的规格型号,施工标准需要和甲方确认满足甲方要求,避免施工不标准带来的返工问题发生。
4、设备安装之前需要根据现场情况给每台设备分配好IP地址并做好详细的记录,哪个IP地址对应那台设备。
如下表1所示
|
设备编号 |
设备IP地址 |
设备安装位置坐标 |
|
|
|
|
5、现场安装设备,同时记录好设备的安装位置和设备编号,安装时候需要满足安装规范参考基站部署原则。

2.定位基站安装
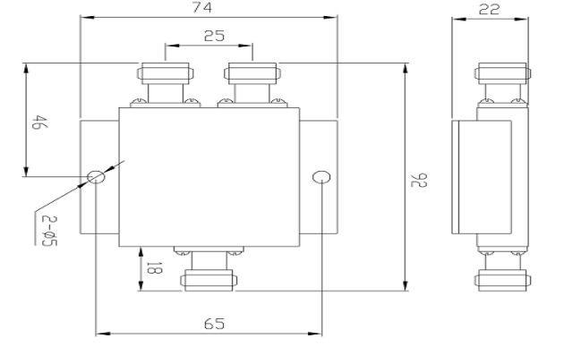
- 基站外壳尺寸

- 功分器尺寸

- 带定向天线设备安装
带定向天线设备可将定位基站主机放置在配电箱内,馈线连接功分器,在连接馈线在和定向天线连接,如下图所示。

- 系统架构图
有线的定位系统架构如下图所示

隧道定位无线网桥传输系统架构

- 基站部署原则
- 一维(隧道)定位基站部署原则
安装方式1如下图所示,隧道1维定位,定位基站间隔不能大于300米,需要保证在任何位置,人员佩戴的标签至少和2个基站可靠稳定通信,如果只能和1个通信则不能定位。

安装方式2如下图所示,2个基站间隔30~50米,定位信号可覆盖2个基站左右300米范围,安装定位基站要点就是需要定位就要保证人员佩戴的标签能和2个基站可靠稳定的通信,如果只能和1个基站通信则不能定位。

2.二维定位基站部署原则
如下图所示的定位空间,部署的时候如果要求较高的定位精度(10~30cm)需要按照长宽比尽量接近1:1的原则部署定位基站(图中红色圆圈代表定位基站),1:1的意思就是说如果该空间的宽度10米那么部署基站长度方向最好也不要超过10米部署,原因在于长宽比过大会导致精度因子变差,定位精度变差。

图:长宽比1:1基站部署示意图
如下图所示的定位空间,部署的时候如果要求的定位精度不高。比如只需要1米内的定位精度,可以按照长宽比不超过1:3的原则部署定位基站(图中红色圆圈代表定位基站)。

图:长宽比1:3基站部署示意图
部署基站的时候如果存在较大的设备遮挡需要增加基站密度,保证在需要定位的位置,标签都能和不少于3个基站可靠的测距。如下图所示,比如中间位置存在3米高的金属罐体,那么需要新增绿色基站使得在左右区域能够保证最基本的定位条件。

图:空间内有遮挡基站部署示意图
在只有3个基站的时候,尽可能安装成锐角三角形,避免出现钝角三角形情况,钝角三角形会对系统精度造成影响 。

- 定位基站安装位置注意事项
1:定位基站天线不要贴近金属,电磁波通过金属面反射会造成非常强的多径效应,从而影响定位精度。
2:不要靠近高功率设备(全频段谐波),比如的无线电,大型机械日光灯等,由于UWB 的信号接近噪声水平,任何高功率多次谐波对它都会带来影响。
3:远离液体,液体对电磁波吸收非常明显。
4:选择视野开阔处安装。
5:定位基站如若采用POE 供电,距离不宜超过100米,必须选用超五类以上等级的网线,如果品质不好或者过长 ,会导致设备供电压不够无法正常工作。
6:工作环境温度 建议在 -40 ℃ ~ 80 ℃ 。
7:高度要求,为了让基站辐射覆盖性能更佳,安装高度建议2~8 米。


可以根据现场情况采购如下的安装立杆,立杆也可以自行加工,立杆直径不能大于50毫米,大于50毫米U型螺栓抱不上安装。


正确安装示意图如下图所示



8:位置要求
适度离开墙体,基站安装的位置要适度离开墙体,建议和墙体保持不小于30厘米的距离,避免在识别的时候,造成多径的误识别。
9:支架安装
由于定位基站的特殊性,避免带来定位的误差,定位基站在安装的时候,需要和墙体保持一定的距离,在很多时候,需要特别为设备准备支架,确保和墙体的间隔,参考位置要求。
- 定位基站坐标测量
首先需要根据现场CAD图自定义一个直角坐标系和坐标原点,用全站仪测量出每个基站在坐标系中的X,Y,Z坐标,并将基站编号和对应坐标记录在表中。
|
设备编号 |
设备安装位置坐标 |
|
|
|


图、全站仪测量坐标
- 修改基站IP地址
如下图所示,将定位基站和电脑连接,定位基站通过DC12V电源适配器供电(本安防爆基站用DC6V供电),通过配置软件修改定位基站IP地址。

1点击搜索设备

2选中需要修改IP的设备
3修改设备的网络配置信息,点击保存
注意目标地址需要和电脑服务器地址一致,模块工作方式选择UDP Client模式。

-

化工、石化、炼油厂人员及车辆定位方案
化工厂人员、车辆定位管理系统具有如下的特点:华星智控化工厂人员定位管理系统融合LORA、4G/5G通信技术,基于自研的室内外高精度定位物联网算法,实现对化工厂人员、车辆的实时精确定位,系统具有高精度,免布线,高实时性,高可靠稳定性的核心优势特点。
-

行车、天车防碰撞方案
通过在行车上安装精准测距基站,基站之间实时互相测距,设定一个危险距离R,当行车2和行车1或者行车3的距离小于R时,就会触发继电器工作启动声光报警器提醒司机或者切断电源让天车停止工作。
-

矿山人员车辆定位管理解决方案
矿山人员车辆定位方案是一种设计用于跟踪矿区内运载矿山人员的车辆位置的系统。 该系统通过提供车辆的实时位置信息,对于确保人员安全至关重要。 以下是矿山人员车辆定位方案的一些关键组成部分:GPS跟踪:该方案利用GPS(全球定位系统)跟踪矿山人员车辆的位置。 GPS 跟踪提供准确的位置数据,可用于监控车辆的速度和方向。车辆跟踪软件:从车辆收集的 GPS 数据被发送到中央系统,该系统使用车辆跟踪软件在地图上显示车辆的实时位置。通讯设备:该方案还需要无线电或手机等通讯设备,让车上人员能够与控制室和应急服务部门进行通讯。地理围栏:地理围栏是一项允许该方案在矿区内设置虚拟边界的功能。 如果车辆进入或离开地理围栏区域,该方案将向控制室发出警报。应急响应:该方案应制定应急响应协议,以防发生事故。 这可能涉及应急小组、疏散计划和急救设备。总体而言,矿山人员车辆定位方案是矿山安全的重要组成部分。 通过提供实时位置数据,该方案可以帮助预防事故并对紧急情况做出快速反应。
-

叉车防碰撞方案
车与人防碰撞:叉车上安装精准测距模块和声光报警器,预先设定好安全距离R,测距模块与人员携带的标签测距L,当距离小于预先设定的安全距离R时就触发测距模块的继电器接通声光报警器工作提醒驾驶员注意。
-

工业智能制造,电力电厂,钢铁治金定位方案
高精度人员、物资、车辆精准定位系统基于多维技术融合方案,可以实现10~30厘米的精准位置数据采集,可用于工业智能智能制,造汽车装配,电力电厂,钢铁治金等行业实现对工厂内的人、车、物、料等的精确定位、无缝追踪、智能调配与高效协同,大幅提升工厂的精益生产及精细化管理水平。
-

数据机房人员定位方案
通过在机房内布设有限数量微基站,实时精确地定位巡检人员上的微标签位置,零延时地将巡检人员位置信息显示在机房控制中心,进行安全区域管控、人员在岗监控等。精度达到10厘米级,精确管控以优化流程、合理调度安排、提高数据机房的巡检效率。
-

北斗储油罐、滑坡、采空区位移变形监测方案
北斗位移监测可实现水平±2.5毫米,垂直±5.0毫米的位置变化监测,可以用于滑坡,道路边坡,采空区,尾矿库,水库大坝,铁塔,储油罐等的形变监测,通过长期的连续监测,掌握被监测体的位置变化趋势,避免灾害事故发生。
-

隧道错车智慧调度方案
铁路隧道施工过程中,由于隧道宽度比较窄,只在固定的距离处有错车位置,当车辆交汇位置距离错车位置比较远的时候车辆需要倒车到错车位置才能错车,这就会导致花费很多时间来错车,大大的降低了工作效率。









